Merhaba,
lenovo Z50-70 (NM-A273 REV:1)
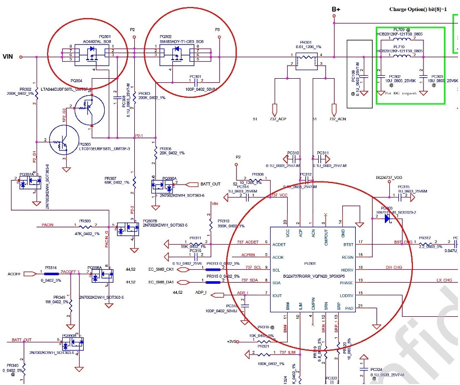
start yok, 19v çıkışı (pr301) 0,8v
PQ302 daha önceden değişmiş farklı bir mosfet kullanılmış. üzeri aşırı ısıya maruz kalmış gibi görünüyordu. (rengi solmuş)ama sağlam durumda.
PQ301(4407) ve pu301(bq24737)değişti. PQ302 yerine 4423 ile değiştim. sistem çalıştı. format atıldı. sürücü vs tamamlandı. ama belirsiz sürelerde 30dk 40dk sonra elektriği direk kesiyor. batarya %100 dolu. bataryalı bataryasız her ikisi takılı iken denendi. aynı sorun devam ediyor. batarya ve adaptör orjinal. öneriniz varmı.
olay görüntüleyi ve şeması
[External Link Removed for Guests]
- Vusal
- Site Admin
- Posts: 3638
- Joined: Mon Jul 25, 2022 2:41 pm
- Location: Azərbaycan, Şəki
- Has thanked: 375 times
- Been thanked: 2426 times
- Contact:
Re: lenovo Z50-70 (NM-A273 REV:1) Belirsiz sürede elektrik kesiyor
Salam
p kanal mosfet kullanilmis
degistirdigin uyumlu mosfet
ama kapanmasini sogle kontrol et. eger kapaninca anakartdaki 19 hattinda voltaj dusumu oluyormu onu olc
diger ihtimal ram kapatir. bios kapatir. me region sorunu kapatir.
p kanal mosfet kullanilmis
degistirdigin uyumlu mosfet
ama kapanmasini sogle kontrol et. eger kapaninca anakartdaki 19 hattinda voltaj dusumu oluyormu onu olc
diger ihtimal ram kapatir. bios kapatir. me region sorunu kapatir.
"Hər elm sahibinin üstündə daha yaxşı bilən biri vardır.!" (Yusuf/76)
Re: lenovo Z50-70 (NM-A273 REV:1) Belirsiz sürede elektrik kesiyor
Kapanma derken rstart yapıyor ve açılıyor.
bazen restartı 1 saati buluyor. ölçme fırsatım olmuyor.
vga stres teste tabi tuttuğumda
[External Link Removed for Guests]
hata veriyor.
biostan uma only yapıp intel vga da hata vermiyor. sıkıntı yok diye teslim ettim ama kapanmalar yine oluyormuş. bios me region yapıp tekrar sonucu paylaşırım.
bazen restartı 1 saati buluyor. ölçme fırsatım olmuyor.
vga stres teste tabi tuttuğumda
[External Link Removed for Guests]
hata veriyor.
biostan uma only yapıp intel vga da hata vermiyor. sıkıntı yok diye teslim ettim ama kapanmalar yine oluyormuş. bios me region yapıp tekrar sonucu paylaşırım.
- Vusal
- Site Admin
- Posts: 3638
- Joined: Mon Jul 25, 2022 2:41 pm
- Location: Azərbaycan, Şəki
- Has thanked: 375 times
- Been thanked: 2426 times
- Contact:
Re: lenovo Z50-70 (NM-A273 REV:1) Belirsiz sürede elektrik kesiyor
ekran kartini biostan degilde uma -ni anakart uzerinden yap voltajini tam kes ve sistem hic algilamasin onu
eger sonuc olmazsa cpu ihtimali var.
eger sonuc olmazsa cpu ihtimali var.
"Hər elm sahibinin üstündə daha yaxşı bilən biri vardır.!" (Yusuf/76)
Re: lenovo Z50-70 (NM-A273 REV:1) Belirsiz sürede elektrik kesiyor
me regeon yaptım. değişen olmadı. notebook teslim aldığımda cpu fan bakım hiç yapılmamış tamamen tıkalıydı. büyük ihtimalle chipset&cpu yada gpu gitmiştir. iadesi yapıldı. Teşekkür ederim.
-
efekadioglu
- Posts: 41
- Joined: Tue Aug 16, 2022 4:22 pm
- Location: istanbul
- Has thanked: 208 times
- Been thanked: 6 times
Re: lenovo Z50-70 (NM-A273 REV:1) Belirsiz sürede elektrik kesiyor
geçen sene i5 4.nesil lenovo gelmişti aynı sorun vardı nvidia gpu reball yapıldı bios yazdım yine aynıydı cpu u sökmeye reball yapmaya çekindim cpunun köşelerine kullandıkları silikon dan dolayı cpu nun pad leri bozarım diye öyle iade etmiştim. Laptop da windows u kuruyorsun herhangi bir problem yok pc yükte iken pat kapatıyordu yada donuyordu
- Vusal
- Site Admin
- Posts: 3638
- Joined: Mon Jul 25, 2022 2:41 pm
- Location: Azərbaycan, Şəki
- Has thanked: 375 times
- Been thanked: 2426 times
- Contact:
Re: lenovo Z50-70 (NM-A273 REV:1) Belirsiz sürede elektrik kesiyor
lenovo işlemçi silikon sorunuefekadioglu wrote: ↑Sun Sep 18, 2022 10:07 pm geçen sene i5 4.nesil lenovo gelmişti aynı sorun vardı nvidia gpu reball yapıldı bios yazdım yine aynıydı cpu u sökmeye reball yapmaya çekindim cpunun köşelerine kullandıkları silikon dan dolayı cpu nun pad leri bozarım diye öyle iade etmiştim. Laptop da windows u kuruyorsun herhangi bir problem yok pc yükte iken pat kapatıyordu yada donuyordu
"Hər elm sahibinin üstündə daha yaxşı bilən biri vardır.!" (Yusuf/76)



