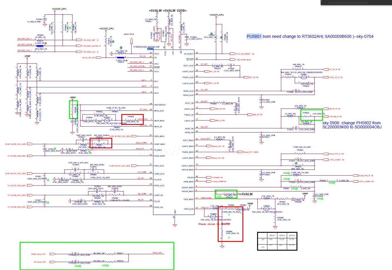
herkese kolay gelsin servisime nm-c561 ana kart geldi ekran karanlık oluyor görüntü gelmiyor power ışık yanıp sönüyor görseldeki entegrede hafif karartı vardı değiştim sorun hala devam ediyor cpu voltajları 0.90v çıkıyor fakat entegrede 8. pinde pc5828 de 0.90 olması normal mi orası direk cpu voltaj mı gönderiyor 5alw yazan direnç yerinde direnç mevcut değildi bir bios denedim sorun hala aynı yardımcı olursanız sevinirim
entegrede
pvcc:5valw
vcc:5alw
vin:20v
voltajları mevcut
-
Burak Aydın
- Posts: 187
- Joined: Thu Aug 18, 2022 12:09 pm
- Has thanked: 64 times
- Been thanked: 11 times
- Vusal
- Site Admin
- Posts: 3638
- Joined: Mon Jul 25, 2022 2:41 pm
- Location: Azərbaycan, Şəki
- Has thanked: 375 times
- Been thanked: 2426 times
- Contact:
Re: NM-C561 REV:1.0
Salam
adp cekilen akim nedir ve BIOS.tan eminmisin? Cunki, Lenoda cogu zaman BIOS hemen bozulma riskleri yuksek modellerden
Bu arada CPU Core bobinden bahediyorsan 0.9V nomal durum. Orda degisen voltajin gorunmesi de normal cunki, CPU, GPU stabil vottajla calismaz. Akima gore her sey SVID kanali uzerinden haberleserek beslemeni kontrol eder yuke gore.
Daha detayli laptopdaki sorunla bilgi verin.
adp cekilen akim nedir ve BIOS.tan eminmisin? Cunki, Lenoda cogu zaman BIOS hemen bozulma riskleri yuksek modellerden
Bu arada CPU Core bobinden bahediyorsan 0.9V nomal durum. Orda degisen voltajin gorunmesi de normal cunki, CPU, GPU stabil vottajla calismaz. Akima gore her sey SVID kanali uzerinden haberleserek beslemeni kontrol eder yuke gore.
Daha detayli laptopdaki sorunla bilgi verin.
"Hər elm sahibinin üstündə daha yaxşı bilən biri vardır.!" (Yusuf/76)
-
Burak Aydın
- Posts: 187
- Joined: Thu Aug 18, 2022 12:09 pm
- Has thanked: 64 times
- Been thanked: 11 times
Re: NM-C561 REV:1.0
bir forumdan bios indirip denedim vusal hocam sizde sağlam bios var ise paylaşırsanız denerimVusal wrote: ↑Mon Sep 11, 2023 12:34 am Salam
adp cekilen akim nedir ve BIOS.tan eminmisin? Cunki, Lenoda cogu zaman BIOS hemen bozulma riskleri yuksek modellerden
Bu arada CPU Core bobinden bahediyorsan 0.9V nomal durum. Orda degisen voltajin gorunmesi de normal cunki, CPU, GPU stabil vottajla calismaz. Akima gore her sey SVID kanali uzerinden haberleserek beslemeni kontrol eder yuke gore.
Daha detayli laptopdaki sorunla bilgi verin.
tam sorun vusal hocam bios arızası gibi görünüyor bir bios denedim aynı devam etti entegre de yanık görünce o kısma yoğunlaştım sizde bios var is bir bios deneyeyim
- Vusal
- Site Admin
- Posts: 3638
- Joined: Mon Jul 25, 2022 2:41 pm
- Location: Azərbaycan, Şəki
- Has thanked: 375 times
- Been thanked: 2426 times
- Contact:
Re: NM-C561 REV:1.0
zahmet olmazsa laptopum tam modelini yazin
type model dahil
type model dahil
"Hər elm sahibinin üstündə daha yaxşı bilən biri vardır.!" (Yusuf/76)
-
Burak Aydın
- Posts: 187
- Joined: Thu Aug 18, 2022 12:09 pm
- Has thanked: 64 times
- Been thanked: 11 times
- Vusal
- Site Admin
- Posts: 3638
- Joined: Mon Jul 25, 2022 2:41 pm
- Location: Azərbaycan, Şəki
- Has thanked: 375 times
- Been thanked: 2426 times
- Contact:
Re: NM-C561 REV:1.0
"Hər elm sahibinin üstündə daha yaxşı bilən biri vardır.!" (Yusuf/76)



