Toshiba noutbuk təmiri
Post Reply
Burak Aydın
Posts: 230
Joined: Thu Aug 18, 2022 12:09 pm
Has thanked: 81 times
Been thanked: 17 times

TOSHIBA SATELLITE C55-A-1K0 PT10FG REV:2.1

Post by Burak Aydın »

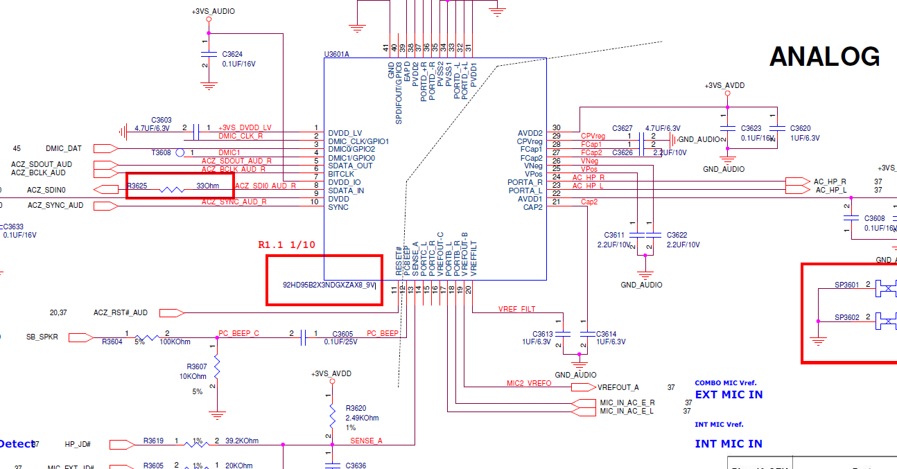
Merhabalar kolay gelsin PT10FG REV:2.1 kodlu anakart servisimize geldi ses gelmiyor şikayeti ile dışarıdan takılan hoparlörlere ses aktarıyor fakat kendi üzerindeki hoparlörlerden ses gelmiyor ölçümler de şunu farkettim ses entegeresini 1. pinde start sonrası 3v olması gerekiyor diyor fakat ben 1.8v ölçlüyorum bu voltaj sorunu ses gelmemesine neden olabilir mi?
Attachments
ses entegre.png
User avatar
Vusal
Site Admin
Posts: 4102
Joined: Mon Jul 25, 2022 2:41 pm
Location: Azərbaycan, Şəki
Has thanked: 430 times
Been thanked: 2548 times
Contact:

Re: TOSHIBA SATELLITE C55-A-1K0 PT10FG REV:2.1

Post by Vusal »

salam
semasinda bak o siyalin geldigi yer varmi. vdd cikisi olabilir o pin. ama baska kartlarin semasina da bakamak gerekiyor
:geek: Senior computer technician & teacher
"Hər elm sahibinin üstündə daha yaxşı bilən biri vardır.!" (Yusuf/76)
User avatar
halit al
Posts: 765
Joined: Mon Aug 15, 2022 4:42 pm
Has thanked: 340 times
Been thanked: 627 times

Re: TOSHIBA SATELLITE C55-A-1K0 PT10FG REV:2.1

Post by halit al »

Aleykum selam neden start sonrasi 3volt olmasi gerekiyor?
+3vs_dvdd_lv oranın adidir 3volt ile basliyor diye bunun 3volt olmasi gerekmiyor. 1.8volt normal sınırlar icerisinde
bilgi hakedene verilir
User avatar
Vusal
Site Admin
Posts: 4102
Joined: Mon Jul 25, 2022 2:41 pm
Location: Azərbaycan, Şəki
Has thanked: 430 times
Been thanked: 2548 times
Contact:

Re: TOSHIBA SATELLITE C55-A-1K0 PT10FG REV:2.1

Post by Vusal »

bence 1.8V normal olmasi lazim.ama entegrenin semasi ve ya yakin model semasindan bakmak mumkun. saniyorsam o pin hic bir yere bagli degil.
:geek: Senior computer technician & teacher
"Hər elm sahibinin üstündə daha yaxşı bilən biri vardır.!" (Yusuf/76)
Burak Aydın
Posts: 230
Joined: Thu Aug 18, 2022 12:09 pm
Has thanked: 81 times
Been thanked: 17 times

Re: TOSHIBA SATELLITE C55-A-1K0 PT10FG REV:2.1

Post by Burak Aydın »

hoparlörün kendisi arızalı imiş dışarıdan farklı bir tane lehim ile denedim çalıştı. Teşekkürler ilginizden dolayı
User avatar
Vusal
Site Admin
Posts: 4102
Joined: Mon Jul 25, 2022 2:41 pm
Location: Azərbaycan, Şəki
Has thanked: 430 times
Been thanked: 2548 times
Contact:

Re: TOSHIBA SATELLITE C55-A-1K0 PT10FG REV:2.1

Post by Vusal »

Burak Aydın wrote: Wed Jan 04, 2023 7:12 pm hoparlörün kendisi arızalı imiş dışarıdan farklı bir tane lehim ile denedim çalıştı. Teşekkürler ilginizden dolayı
en basta yapmaniz islem zaten buydu. bu islemden sonra entegre incelenir normalde. ve bazi pinlerde osiloskop lazim olcumleri icin.
:geek: Senior computer technician & teacher
"Hər elm sahibinin üstündə daha yaxşı bilən biri vardır.!" (Yusuf/76)
Burak Aydın
Posts: 230
Joined: Thu Aug 18, 2022 12:09 pm
Has thanked: 81 times
Been thanked: 17 times

Re: TOSHIBA SATELLITE C55-A-1K0 PT10FG REV:2.1

Post by Burak Aydın »

Doğru diyorsunuz Vusal hocam daha fazla dikkat etmeye çalışacağım
Post Reply

Return to “Toshiba”